网站首页
公司简介
产品展示
荣誉资质
新闻中心
售后服务
联系我们
服务热线
010-89702454 15601352934
网站首页
公司简介
产品展示
计数器
燃气表用计数器
互感器
变压器
荣誉资质
新闻中心
售后服务
联系我们
产品分类
计数器
单排塑料支架计数器
单\双排金属支架计数器
特殊计数器及小时器
微型计数器
计数器技术参数
燃气表用计数器
技术参数
互感器
微型电流互感器
互感器参数
变压器
电源变压器
变压器参数
产品展示
计数器
单排塑料支架计数器
单\双排金属支架计数器
特殊计数器及小时器
微型计数器
计数器技术参数
燃气表用计数器
技术参数
互感器
微型电流互感器
互感器参数
变压器
电源变压器
变压器参数
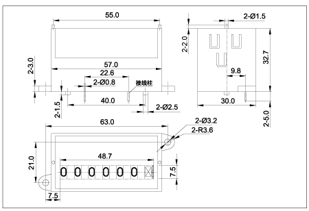
C2
电话
QQ
留言
在线咨询
在线沟通,请点我
在线咨询
咨询热线:
010-89702454 15601352934
咨询电话:
010-60772454